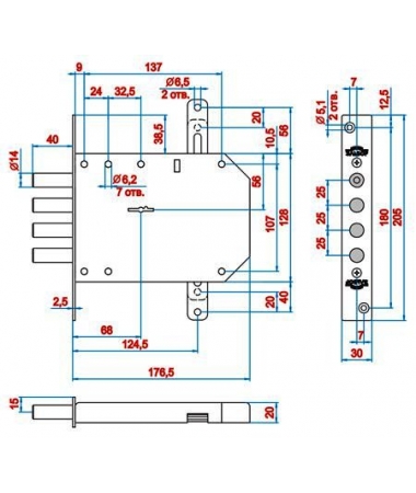
გადიდება

1.05.03